イシグロ webstation

メーカー名:潟Jクダイ

4247 ステンレス防虫目皿

材質

本体
SUS304

【特長】

VP・VU管兼用(接着式)
アミは線径0.4ミリ、16メッシュ
アミはネジ止め式
ヘアライン仕上げ

★チェックボックスはマイオーダーシート系登録用です

★サイズ展開は横スクロールをしてご確認ください

4247 ステンレス防虫目皿
数量を入力して 買い物かごに入れる

★チェックボックスはマイオーダーシート系登録用です

購入数量をご確認ください


マイオーダー
シート系用
発注コード
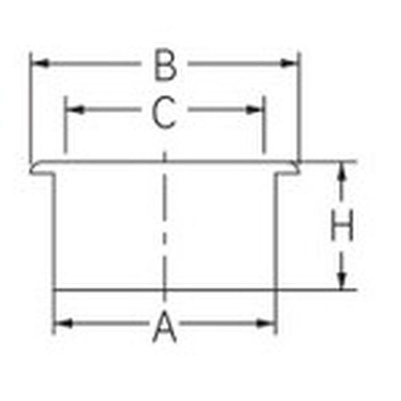
品番
サイズ
A(mm)
B(mm)
C(mm)
H(mm)
参考標準価格
数量
1100332
4247-40
40
40/44
50
34
23
6,000円
1100328
4247-50
50
51/56
62
43.5
23
7,100円
1100326
4247-65
65
67/71
78
60
23
10,000円
1100327
4247-75
75
77/83
91
70
22.5
13,000円
1100331
4247-100
100
100/107
116
93
23
17,000円
1100330
4247-125
125
125/131
140
118
25
57,000円
1100329
4247-150
150
146/154
164
139
25.5
95,000円