イシグロ webstation

メーカー名:ダイドレ

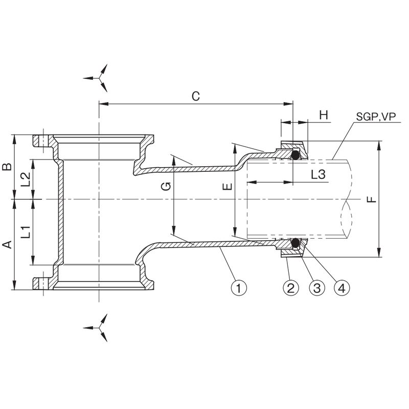
KDU VST-B 横枝袋ナット B形(フランジセット)

材質

@本体
FC150
A袋ナット
FCD500-7
Bパッキン
NBR
Cワッシャ
PE

商品仕様

使用箇所
屋内配管
規格
日本金属継手協会規格 JPF MDJ 002
適用配管
重力排水配管
使用流体
汚水・雑排水・通気・雨水
使用温度(℃)
-10~60
使用圧力
重力排水(満水試験時は、0.1MPa以下)
たわみ限界(°)
3
塗装色
グレー
塗装膜厚(マイクロメートル)
50以上

【特長】

排水鋼管用可とう継手は、継手受け口に可とう性を持たせることにより、建築物の挙動変化による配管の振れや、温排水による管の熱膨張から配管を保護します。
また、パイプにねじを切る必要もなく、施工の省力化にも貢献します。
排水鋼管用可とう継手は、共通の本体と用途に応じたフランジセットを組み合わせて使用する継手です。
国土交通省 公共建築工事標準仕様書(機械設備工事編)記載継手

【注意事項】

露出配管や埋設配管などの腐食環境下においては、錆が発生することがあります。やむを得ず、腐食環境下でご使用になる場合は、ご使用環境に適した防食材を使用し、防錆処理を行ってください。
VST−B−C300(100AX80A)、VST−B−C220(125AX80A)は受注生産品です。

★チェックボックスはマイオーダーシート系登録用です

★サイズ展開は横スクロールをしてご確認ください

KDU VST-B 横枝袋ナット B形(フランジセット)
数量を入力して 買い物かごに入れる

★チェックボックスはマイオーダーシート系登録用です

購入数量をご確認ください


マイオーダー
シート系用
発注コード
品番
サイズ
A(mm)
B(mm)
C(mm)
L1(mm)
L2(mm)
L3(mm)
入数

参考標準価格
数量
1043891
KD2-VST-B-C220-80A
80A
103
73
220
75
45
52
2
31,670円
1043892
KD2-VST-B-C220-100Ax80A
100A x 80A
103
78
220
70
45
52
2
35,580円
1139417
KD2-VST-B-C300-100Ax80A
100A x 80A
103
78
300
70
45
52
3
39,590円
1043893
KD2-VST-B-C220-125Ax80A
125A x 80A
101
81
220
65
45
52
1
48,020円