イシグロ webstation

メーカー名:積水化学工業

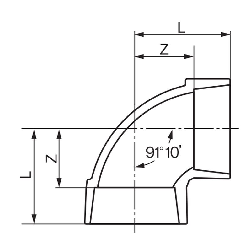
DV-DL 90°エルボ クリーム エスロンDVカラー継手

材質

本体
排水用硬質ポリ塩化ビニル

商品仕様

JIS規格
6739
備考
耐候性向上
カラーマンセル値
2.9Y 7.4/2.4(※実物と多少色が異なります)

【特長】

建物のカラーに調和し美観を損ないません。
色褪せを抑える耐候性向上仕様
安心して使えるJIS認証管
塩ビならではの施工性と美しい納まり

★チェックボックスはマイオーダーシート系登録用です

★サイズ展開は横スクロールをしてご確認ください

DV-DL 90°エルボ クリーム エスロンDVカラー継手
数量を入力して 買い物かごに入れる

★チェックボックスはマイオーダーシート系登録用です

購入数量をご確認ください


マイオーダー
シート系用
発注コード
品番
サイズ
Z(mm)
L(mm)
入数

参考標準価格
数量
1166643
HDL50C
50
33
58
85
380円
1166644
HDL65C
65
42
77
36
640円
1166645
CDDL75
75
48
88
30
870円
1166642
CDDL1H
100
62
112
16
1,720円
1576432
CDDL1Q
125
75
140
8
3,670円
1576433
CDDL1F
150
88
168
5
6,260円