イシグロ webstation

メーカー名:アオイ

AWD D型ユニオン インターロック式締付継手(ステンレス製)

材質

本体
SUS316

商品仕様

使用温度(℃)
-196~600
適用チューブ
AX-1200、F-1500、FE

【特長】

高圧・高温・低温に耐えられます。
締付けトルクが小さく、捻れが生じない理想的なシールです。
衝撃・振動に強いです。
ナットのねじ部に焼き付きを起こしません。
真空ラインに使用できます。
繰り返し脱着に優れています。
この管継手を構成する、継手本体、ナット及びフェルールの材質は全て、SUS316を使用しております。

★チェックボックスはマイオーダーシート系登録用です

★サイズ展開は横スクロールをしてご確認ください

AWD D型ユニオン インターロック式締付継手(ステンレス製)
数量を入力して 買い物かごに入れる

★チェックボックスはマイオーダーシート系登録用です

購入数量をご確認ください


マイオーダー
シート系用
発注コード
品番
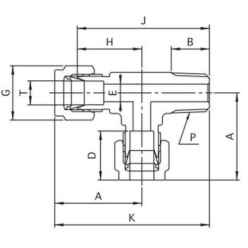
サイズ
適用パイプ外径(mm)
P(R)
A(mm)
B(mm)
D(mm)
E(mm)
G(mm)
参考標準価格
数量
1610688
AWD-3-1
3 x 1/8
3
1/8
24.9
11
13.4
2.5
12
5,930円
1610689
AWD-4-1
4 x 1/8
4
1/8
27.8
11
15.3
3.5
14
5,690円
1610690
AWD-6-1
6 x 1/8
6
1/8
27.9
11
15.4
5
14
5,090円
1610691
AWD-6-2
6 x 1/4
6
1/4
28.9
13
15.4
5
14
5,570円
1610692
AWD-8-1
8 x 1/8
8
1/8
29.8
11
16.8
6
15.87
6,300円
1610693
AWD-8-2
8 x 1/4
8
1/4
29.8
13
16.8
6
15.87
6,300円
1610694
AWD-10-2
10 x 1/4
10
1/4
30.8
13
17.8
8
19
6,660円
1610695
AWD-12-3
12 x 3/8
12
3/8
38.3
14
22.8
10
23
8,720円