イシグロ webstation

メーカー名:アオイ

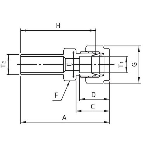
AWR レジューサー インターロック式締付継手(ステンレス製)

材質

本体
SUS316

商品仕様

使用温度(℃)
-196~600
適用チューブ
AX-1200、F-1500、FE

【特長】

高圧・高温・低温に耐えられます。
締付けトルクが小さく、捻れが生じない理想的なシールです。
衝撃・振動に強いです。
ナットのねじ部に焼き付きを起こしません。
真空ラインに使用できます。
繰り返し脱着に優れています。
この管継手を構成する、継手本体、ナット及びフェルールの材質は全て、SUS316を使用しております。

★チェックボックスはマイオーダーシート系登録用です

★サイズ展開は横スクロールをしてご確認ください

AWR レジューサー インターロック式締付継手(ステンレス製)
数量を入力して 買い物かごに入れる

★チェックボックスはマイオーダーシート系登録用です

購入数量をご確認ください


マイオーダー
シート系用
発注コード
品番
サイズ
T1(mm)
T2(mm)
A(mm)
C(mm)
D(mm)
E(mm)
F(mm)
参考標準価格
数量
1610696
AWR-3.4-0
3 x 4
3
4
40.9
15.9
13.4
2.5
12
2,420円
1610697
AWR-3.6-0
3 x 6
3
6
40.9
15.9
13.4
2.5
12
2,420円
1610698
AWR-4.6-0
4 x 6
4
6
43.8
17.8
15.3
3.5
14
2,300円
1610699
AWR-4.8-0
4 x 8
4
8
43.8
17.8
15.3
3.5
14
2,300円
1610700
AWR-6.8-0
6 x 8
6
8
43.9
17.9
15.4
5
14
1,820円
1610701
AWR-6.10-0
6 x 10
6
10
48.9
17.9
15.4
5
14
1,820円
1610702
AWR-8.10-0
8 x 10
8
10
49.8
18.8
16.8
6
14
2,300円
1610703
AWR-8.12-0
8 x 12
8
12
53.8
18.8
16.8
6
14
2,300円
1610704
AWR-10.12-0
10 x 12
10
12
54.8
19.8
17.8
8
17
3,270円