イシグロ webstation

メーカー名:アオイ

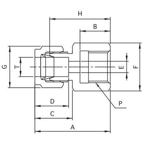
AWP 圧力計ユニオン インターロック式締付継手(ステンレス製)

材質

本体
SUS316

商品仕様

使用温度(℃)
-196~600
適用チューブ
AX-1200、F-1500、FE

【特長】

高圧・高温・低温に耐えられます。
締付けトルクが小さく、捻れが生じない理想的なシールです。
衝撃・振動に強いです。
ナットのねじ部に焼き付きを起こしません。
真空ラインに使用できます。
繰り返し脱着に優れています。
この管継手を構成する、継手本体、ナット及びフェルールの材質は全て、SUS316を使用しております。

★チェックボックスはマイオーダーシート系登録用です

★サイズ展開は横スクロールをしてご確認ください

AWP 圧力計ユニオン インターロック式締付継手(ステンレス製)
数量を入力して 買い物かごに入れる

★チェックボックスはマイオーダーシート系登録用です

購入数量をご確認ください


マイオーダー
シート系用
発注コード
品番
サイズ
適用パイプ外径(mm)
P G(PF)
A(mm)
B(mm)
C(mm)
D(mm)
E(mm)
参考標準価格
数量
1610804
AWP-3-1
3 x 1/8
3
1/8
32.9
12
15.9
13.4
2.5
2,910円
1610805
AWP-3-2
3 x 1/4
3
1/4
35.9
15
15.9
13.4
2.5
3,150円
1610806
AWP-4-1
4 x 1/8
4
1/8
34.8
12
17.8
15.3
3.5
2,670円
1610807
AWP-4-2
4 x 1/4
4
1/4
35.8
15
17.8
15.3
3.5
3,030円
1610808
AWP-6-1
6 x 1/8
6
1/8
34.9
12
17.9
15.4
5
2,180円
1610809
AWP-6-2
6 x 1/4
6
1/4
35.9
15
17.9
15.4
5
2,550円
1610810
AWP-6-3
6 x 3/8
6
3/8
37.9
16
17.9
15.4
5
3,030円
1610811
AWP-6-4
6 x 1/2
6
1/2
39.9
17
17.9
15.4
5
4,120円
1610812
AWP-8-2
8 x 1/4
8
1/4
36.8
15
18.8
16.8
6
3,030円
1610813
AWP-8-3
8 x 3/8
8
3/8
38.8
16
18.8
16.8
6
3,270円
1610814
AWP-8-4
8 x 1/2
8
1/2
40.8
17
18.8
16.8
6
4,360円
1610815
AWP-10-2
10 x 1/4
10
1/4
37.8
15
19.8
17.8
6
3,150円
1610816
AWP-10-3
10 x 3/8
10
3/8
39.8
16
19.8
17.8
6
3,760円
1610817
AWP-10-4
10 x 1/2
10
1/2
41.8
17
19.8
17.8
8
4,600円
1610818
AWP-12-2
12 x 1/4
12
1/4
40.8
15
22.8
22.8
6
3,880円
1610819
AWP-12-3
12 x 3/8
12
3/8
42.8
16
22.8
22.8
6
3,880円
1610820
AWP-12-4
12 x 1/2
12
1/2
44.8
17
22.8
22.8
10
5,570円