イシグロ webstation

メーカー名:アオイ

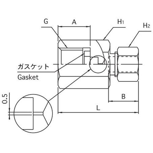
MK-7000 圧力計ユニオン ダブルタッチ式締付継手(黄銅製)

材質

本体
C3604BD
C3771BE
ナット
C3604BD
スリーブ
C3604BD

商品仕様

仕様流体
空気、水(水使用のプラスチックチューブについては、全てインサート
リングを使用してください。)
使用温度(℃)
-10~80
継手保証耐圧力(MPa)
3.5

【特長】

ナットを締込むとスリーブ全体が平均に締付けられ、ダブルタッチ面の中にパイプが盛り上がり、完全にフィッティングされます。
プラスチックチューブ又は銅管のいずれにも使用できます。
アミドフレックス、銅管使用の場合にはインサートリングが不用の為、パイプ内径と同一容量が得られます。
スリーブに特殊処理を施してある為、締付時に均一に圧着されパイプとの密着面にムラがありません。
コンパクトで低価格。
機種が豊富です。
ねじ部にテフロン樹脂をコーティング。

★チェックボックスはマイオーダーシート系登録用です

★サイズ展開は横スクロールをしてご確認ください

MK-7000 圧力計ユニオン ダブルタッチ式締付継手(黄銅製)
数量を入力して 買い物かごに入れる

★チェックボックスはマイオーダーシート系登録用です

購入数量をご確認ください


マイオーダー
シート系用
発注コード
品番
サイズ
適用パイプ外径(mm)
G(PF)
H(mm)
H2(mm)
L(mm)
A(mm)
入数

参考標準価格
数量
1661456
MK-7042
4 x 1/4
4
1/4
17
10
31.5
13
10
722円
1661457
MK-7043
4 x 3/8
4
3/8
20
10
33.5
15
10
887円
1661458
MK-7062
6 x 1/4
6
1/4
17
12
32.5
13
10
743円
1661459
MK-7063
6 x 3/8
6
3/8
20
12
34.5
15
10
907円
1661460
MK-7082
8 x 1/4
8
1/4
17
14
34
13
10
784円
1661461
MK-7083
8 x 3/8
8
3/8
20
14
36
15
10
949円