イシグロ webstation

メーカー名:IBS

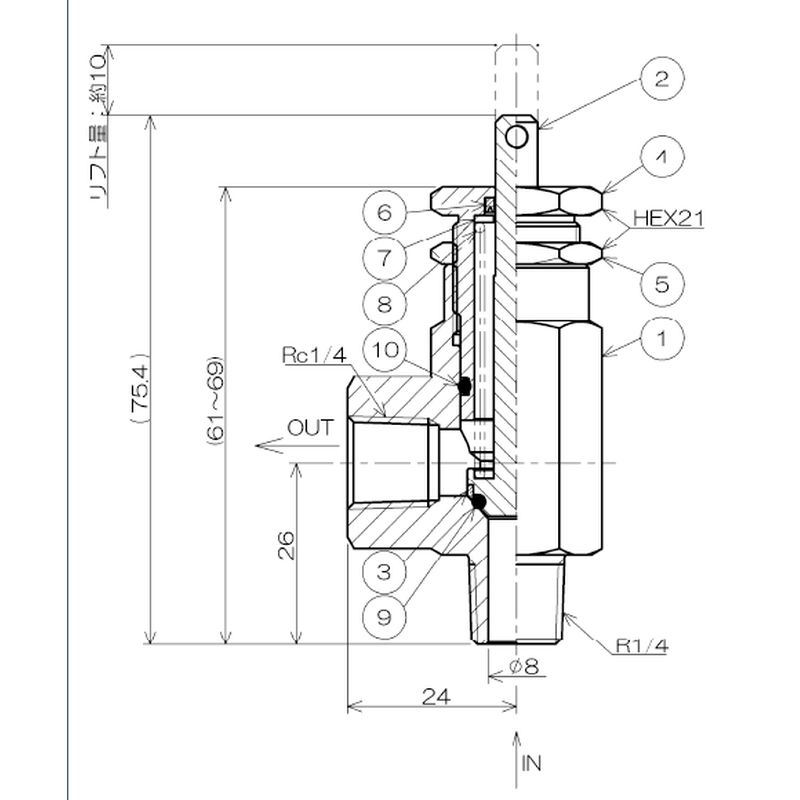
RM1T2V-P リリーフバルブ RM1シリーズ〈外部クラッキング圧力調整型〉【SCS14(SUS316相当)・FKM・プルリング】

材質

@本体
SCS14(SUS316相当)
Eシール
FKM
Aポペット
SUS316
Bバックアップリング
SUS316
Cアジャストナット
SUS316
Dロックナット
SUS303
Fスプリングシート
SUS316
Gスプリング
SUS304orSUS301

商品仕様

使用流体
接液部を腐食させない気体・液体
耐圧(MPa)
3.0
接続径
入口R1/4X出口Rc1/4
参考使用流体温度(℃)
0~90
オプション
プルリング

【特長】

特殊パッキンにより弁の発振を抑制
ステンレス仕様の本体は耐食性に優れるSCS14(SUS316相当)を採用
外部からクラッキング圧力の任意調整が可能(工場出荷時、圧力調整済)
液体対応・インラインタイプ・大流量仕様(当社製品比較)

【注意事項】

ご注文の際は注文メモへ「設定圧力」をご指示ください。
メーカーにてご指定のクラッキング圧力に調整して出荷します。

★チェックボックスはマイオーダーシート系登録用です

★サイズ展開は横スクロールをしてご確認ください

RM1T2V-P リリーフバルブ RM1シリーズ〈外部クラッキング圧力調整型〉【SCS14(SUS316相当)・FKM・プルリング】
数量を入力して 買い物かごに入れる

★チェックボックスはマイオーダーシート系登録用です

購入数量をご確認ください


マイオーダー
シート系用
発注コード
品番
サイズ
クラッキング圧力範囲(kPa)
参考標準価格
数量
1692285
RM1T2V-A-50-1500-P
1/4(8A)
50~150
お問合せ下さい
1692305
RM1T2V-B-50-1500-P
1/4(8A)
150~500
お問合せ下さい
1692325
RM1T2V-C-50-1500-P
1/4(8A)
500~1500
お問合せ下さい