イシグロ webstation

メーカー名:ネグロス電工

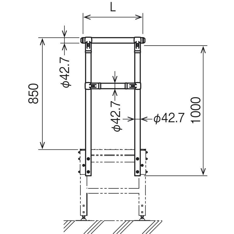
STP-HRF□ 末端用手すり(片側)

材質

本体
溶融亜鉛めっき仕上

【注意事項】

歩廊架台本体を床面や基礎側面へアンカーボルトで固定するなどの転倒防止対策を施してください。転倒によりケガの恐れがあります。
ボルト・ナットは確実に締め付けてください。強度低下により転倒や転落の恐れがあります。適正締付トルクは14.7N・m[150kgf・cm]です。

★チェックボックスはマイオーダーシート系登録用です

★サイズ展開は横スクロールをしてご確認ください

STP-HRF□ 末端用手すり(片側)
数量を入力して 買い物かごに入れる

★チェックボックスはマイオーダーシート系登録用です

購入数量をご確認ください


マイオーダー
シート系用
発注コード
品番
サイズ
適合
適合
参考標準価格
数量
1706934
STP-HRF50
-
STP35□,STP55□S,STP55□NS
STP85□S,STP85□NS
23,800円
1706935
STP-HRF100
-
STP35□-100,STP55□S-100,STP55□NS-100
STP85□S-100,STP85□NS-100
25,800円