イシグロ webstation

メーカー名:栃木屋

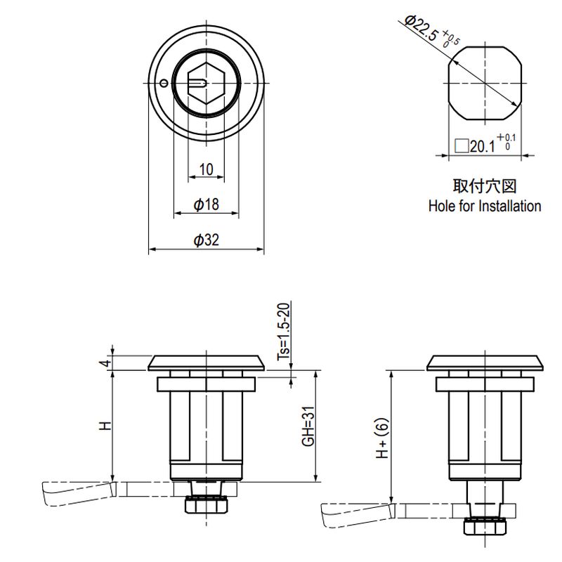
TEA-1000-U869-LIPH コンプレッションラッチ

材質

本体
SUS

商品仕様

用途
ラック・筐体・輸送機器・計測器等

【特長】

欧州難燃性規格(EN45545−2)に対応しています。

【注意事項】

キ−及び止め金具は、付属しません。
キーの販売はしておりません。
キーとして、市販のソケットレンチ(対面幅10mm)をご使用ください。
止め金具は、TEO−1000シリーズをご参照ください。

★チェックボックスはマイオーダーシート系登録用です

★サイズ展開は横スクロールをしてご確認ください

TEA-1000-U869-LIPH コンプレッションラッチ
数量を入力して 買い物かごに入れる

★チェックボックスはマイオーダーシート系登録用です

購入数量をご確認ください


マイオーダー
シート系用
発注コード
品番
サイズ
参考標準価格
数量
2493535
TEA-1000-U869-LIPH
-
9,550円