イシグロ webstation

メーカー名:SIGNET

1/2"SQ 12角ソケット

【特長】

ミラー仕上げのメッキが美しいスタンダードソケット。
ボルト・ナットを傷めにくい面接触タイプ。
12角タイプ。

【注意事項】

画像は代表画像になります。

★チェックボックスはマイオーダーシート系登録用です

★サイズ展開は横スクロールをしてご確認ください

1/2"SQ 12角ソケット
数量を入力して 買い物かごに入れる

★チェックボックスはマイオーダーシート系登録用です

購入数量をご確認ください


マイオーダー
シート系用
発注コード
品番
サイズ
差込角(SQ)
サイズ(mm)
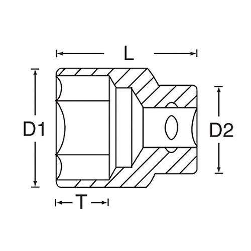
全長(L;mm)
先端部ソケット外径(D1;mm)
差込部ソケット外径(D2;mm)
ソケット深さ(T;mm)
参考標準価格
数量
2625480
13365
10mm
1/2
10
38
15
22
14
450円
2625481
13368
13mm
1/2
13
38
19
22
14
450円
2625479
13370
15mm
1/2
15
38
22
22
14
500円
2625476
13371
16mm
1/2
16
38
22
22
14
500円
2625474
13372
17mm
1/2
17
38
24
24
15
500円
2625477
13373
18mm
1/2
18
38
25
25
15
550円
2625478
13374
19mm
1/2
19
38
26
26
20
550円
2625475
13377
22mm
1/2
22
38
30
30
20
750円
2625473
13379
24mm
1/2
24
38
32
32
20
850円